Le spedizioni potrebbero subire ritardi a causa del periodo natalizio e pertanto non possiamo garantire il rispetto dei tempi di consegna previsti.

Ebara - Elettropompa Silenziosa 0,80 Hp Centrifuga Multistadio Orizzontale - Modello: Compact/A Am/8 - Articolo: 1480030000A

  • EBARA

Descrizione

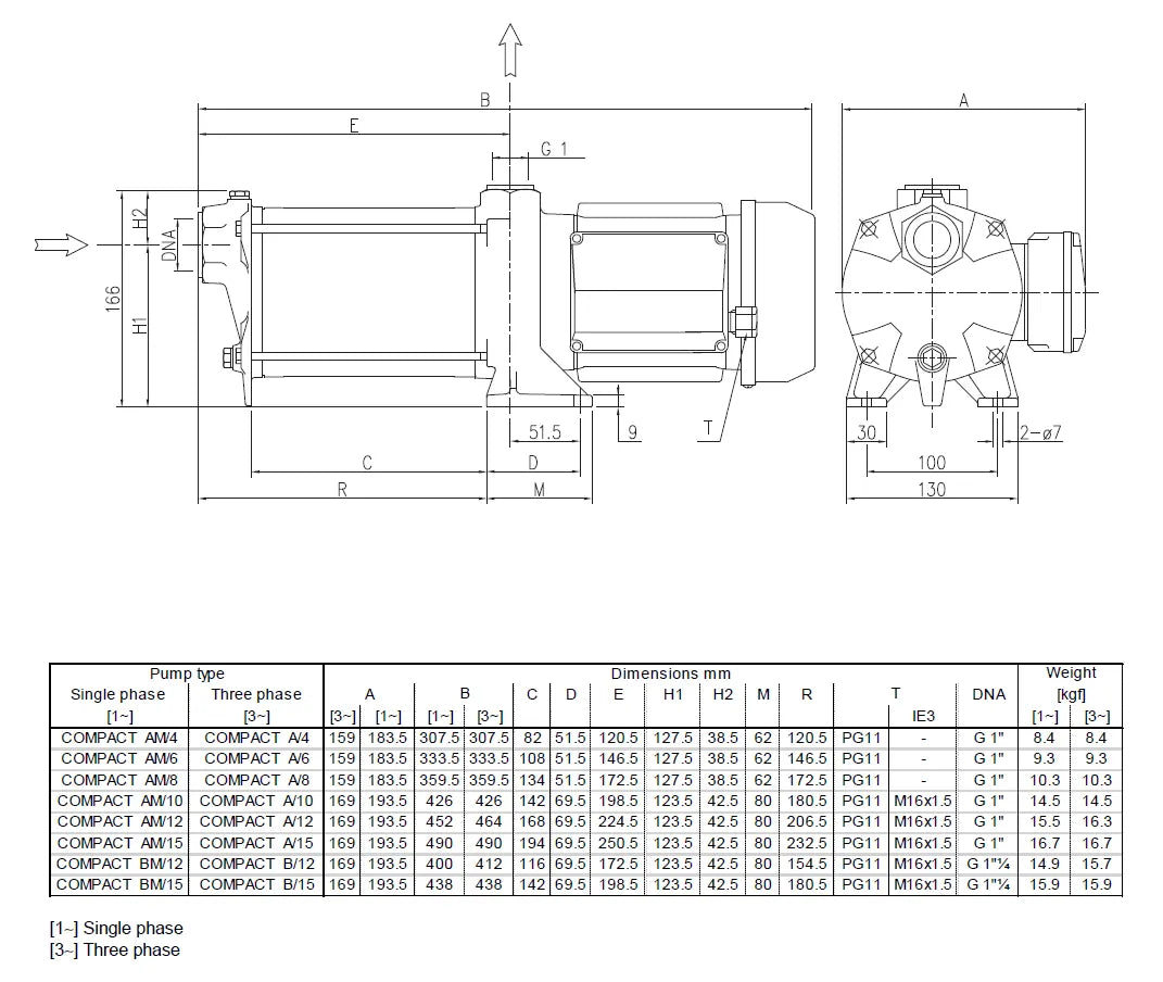
COMPACT/A AM/8

Elettropompe centrifughe multistadio orizzontali in ghisa

Adatte per incrementi di pressione in genere, pressurizzazione domestica, piccola irrigazione di giardini, lavaggio di veicoli e movimentazione di acqua pulita.

  • Elevata silenziosità
  • Le pompe sono dotate di motori asincroni a 2 poli ad alta efficienza energetica.

DATI TECNICI POMPA

  • Prevalenza da 6 a 79 m
  • Portata da 1,2 a 7,2 m3/h
  • Pressione massimo di esercizio 10 bar
  • Temperatura massima del liquido 40°C
  • Il corpo pompa e il supporto sono in ghisa, la camicia esterna è in AISI 304. La girante ed il diffusore sono in PPE + PS rinforzato con fibre di vetro e PTFE. L’albero è in AISI 416.
  • La tenuta meccanica è in Ceramica/Carbone/NBR

Materiali

  • Corpo pompa: Ghisa
  • Girante: PPE+PS con fibre di vetro
  • Stadi: PPE+PS con fibre di vetro/PTFE
  • Albero: AISI 416 (EN 1.4005)
  • Tenuta meccanica: Ceramica/Carbone/NBR (standard)
  • Supporto motore: Ghisa
Forma del prodotto

SKU: COMPACTAM08

Ebara - Elettropompa Silenziosa 0,80 Hp Centrifuga Multistadio Orizzontale - Modello: Compact/A Am/8 - Articolo: 1480030000A

  • EBARA

COMPACT/A AM/8Elettropompe centrifughe multistadio orizzontali in ghisaAdatte per incrementi di pressione in genere, pressurizzazione domestica, piccola irrigazione di giardini, lavaggio... Per saperne di più

212,08 €

    • Disponibile fino ad esaurimento scorte
    • Acquista senza pensieri: reso semplice entro 14 giorni

    Descrizione

    COMPACT/A AM/8

    Elettropompe centrifughe multistadio orizzontali in ghisa

    Adatte per incrementi di pressione in genere, pressurizzazione domestica, piccola irrigazione di giardini, lavaggio di veicoli e movimentazione di acqua pulita.

    • Elevata silenziosità
    • Le pompe sono dotate di motori asincroni a 2 poli ad alta efficienza energetica.

    DATI TECNICI POMPA

    • Prevalenza da 6 a 79 m
    • Portata da 1,2 a 7,2 m3/h
    • Pressione massimo di esercizio 10 bar
    • Temperatura massima del liquido 40°C
    • Il corpo pompa e il supporto sono in ghisa, la camicia esterna è in AISI 304. La girante ed il diffusore sono in PPE + PS rinforzato con fibre di vetro e PTFE. L’albero è in AISI 416.
    • La tenuta meccanica è in Ceramica/Carbone/NBR

    Materiali

    • Corpo pompa: Ghisa
    • Girante: PPE+PS con fibre di vetro
    • Stadi: PPE+PS con fibre di vetro/PTFE
    • Albero: AISI 416 (EN 1.4005)
    • Tenuta meccanica: Ceramica/Carbone/NBR (standard)
    • Supporto motore: Ghisa

    Visti recentemente

    © 2025 Homelide, Powered by Mirai

      • American Express
      • Apple Pay
      • Google Pay
      • Maestro
      • Mastercard
      • PayPal
      • Shop Pay
      • Union Pay
      • Visa

      Login

      Hai dimenticato la password?

      Non hai ancora un account?
      Creare un profilo