Le spedizioni potrebbero subire ritardi a causa del periodo natalizio e pertanto non possiamo garantire il rispetto dei tempi di consegna previsti.

Sollevamento

225 prodotti

  • Dab - Elettropompa autoadescante 1 HP - Modello: Jet 102 M - Articolo: 102660040 Dab - Elettropompa autoadescante 1 HP - Modello: Jet 102 M - Articolo: 102660040

    DAB Dab - Elettropompa autoadescante 1 HP - Modello: Jet 102 M - Articolo: 102660040

    DATI TECNICI Campo di funzionamento:da 0,4 a 10,5 m3/h con prevalenza fino a 62 metri. Liquido  pompato:pulito, libero da sostanze solide o abrasive, non viscoso, non aggressivo, non cristallizzato e chimicamente neutro, prossimo alle caratteristiche dell’acqua. Campo di temperatura del liquido: da 0 °C a +35°C uso domestico (EN 60335-2-41) da 0 °C a +40°C per altri impieghi. Massima temperatura ambiente: +40°C Massima pressione di esercizio: 8 bar (800 kPa) Installazione: fissa in posizione orizzontale. Esecuzioni speciali a richiesta: altre frequenze e/o tensioni. Grado di protezione del motore: IP 44 Grado di protezione alla morsettiera: IP 55 Classe di isolamento: F Tensione di serie: monofase 220/240 V / 50 Hz trifase 230/400 V / 50 Hz APPLICAZIONI Pompa centrifuga autoadescante con ottime capacità di aspirazione anche in presenza di bolle d’aria. Idonea all’utilizzo con acqua con piccole impurità sabbiose. Particolarmente impiegata per alimentazione idrica in impianti domestici. Adatta per la piccola agricoltura e giardinaggio, servizi industriali di entità limitata e dove è necessaria la funzione di autoadescamento. CARATTERISTICHE COSTRUTTIVE DELLA POMPA Corpo pompa e supporto motore in ghisa. Supporto motore in alluminio pressofuso. Girante, diffusore, tubo venturi e parasabbia in tecnopolimero. Anelli di rasamento in acciaio inossidabile. Tenuta meccanica in carbone/ceramica. CARATTERISTICHE COSTRUTTIVE DEL MOTORE Di tipo asincrono, chiuso, raffreddato a ventilazione esterna. Rotore montato su cuscinetti a sfera ingrassati a vita e sovradimensionati per garantire silenziosità e durata. Protezione termo-amperometrica incorporata e condensatore permanentemente inserito nella versione monofase. Per la protezione del motore trifase è raccomandabile l’uso di un telesalvamotore in accordo alle norme vigenti. Costruzione secondo normative CEI 2-3 / CEI 61-69 (EN 60335-2-41).

    128,93 € 119,90 €

  • Regolatore Elettronico 1,5 Bar Per Elettropompa

    G.T.COMIS Regolatore Elettronico 1,5 Bar Per Elettropompa

    Regolatore elettronico 1,5 bar per elettropompa

    21,77 €

  • Regolatore Elettronico 2,2 Bar Per Elettropompa

    G.T.COMIS Regolatore Elettronico 2,2 Bar Per Elettropompa

    Regolatore elettronico 2,2 bar per elettropompa

    21,77 €

  • Fantini Cosmi - Pressostato Bipolare Per Elettropompe

    FANTINI COSMI Fantini Cosmi - Pressostato Bipolare Per Elettropompe

    Fantini cosmi - pressostato bipolare per elettropompe

    13,33 €

  • Valvola Europa Da 1"

    HOMELIDE Valvola Europa Da 1"

    Adatte all’impiego in impianti idraulici, di riscaldamento, di condizionamento e pneumatici.Installabili in qualsiasi posizione: verticale, orizzontale, obliqua. Corpo in ottone. Tenuta in acciaio inox. Guarnizione in NBR. Molla in acciaio inox. Temperatura minima e massima d’esercizio: -20°C, 100°C. Attacchi filettati ISO228 (equivalente a DIN EN ISO 228 e BS EN ISO 228). Disponibile con filetto americano NPT nelle misure da ½” a 4”.

    7,93 €

  • Lowara - Regolatore elettronico di pressione partenza 1.5 Bar - Modello: Genyo 8A/F15 Lowara - Regolatore elettronico di pressione partenza 1.5 Bar - Modello: Genyo 8A/F15

    LOWARA Lowara - Regolatore elettronico di pressione partenza 1.5 Bar - Modello: Genyo 8A/F15

    GENYO 8A/F15  Regolatore di pressione presscontrol pressostato automaticoGenyo, nuova gamma di compatti dispositivi elettronici pressoflussostati per il controllo e la protezione di elettropompe.Genyo è comandato da un circuito elettronico ed è composto da un sistema a membrana e molla antagonista integrato da sensori di portata e pressione.Genyo permette di controllare in modo automatico l’avviamento e lo spegnimento dell’elettropompa a seconda dell’effettiva richiesta d’acqua, evitando variazioni di pressione all’utilizzo a punto di lavoro costante.Genyo integra, in un unico dispositivo, molti accessori d’impianto. Disponibile versione 8A a tre pressioni di partenza fisse (GENYO 8A), e versione 16A con riavvio automatico (GENYO 16A).Parametri tecnici Portata: fino a 10 m³/h Alimentazione: mono e tri-fase 50 e 60 Hz Potenza: fino a 2,20 kW Pressione massima: 10 bar Temperatura del liquido a 60 °C

    75,00 € 69,99 €

  • Valvola Europa Da 3/4"

    HOMELIDE Valvola Europa Da 3/4"

    Adatte all’impiego in impianti idraulici, di riscaldamento, di condizionamento e pneumatici.Installabili in qualsiasi posizione: verticale, orizzontale, obliqua. Corpo in ottone. Tenuta in acciaio inox. Guarnizione in NBR. Molla in acciaio inox. Temperatura minima e massima d’esercizio: -20°C, 100°C. Attacchi filettati ISO228 (equivalente a DIN EN ISO 228 e BS EN ISO 228). Disponibile con filetto americano NPT nelle misure da ½” a 4”.  

    5,92 €

  • Dab - Elettropompa Autoadescante 1,15 Hp - Modello: Jet 132 M - Articolo: 102660100

    DAB Dab - Elettropompa Autoadescante 1,15 Hp - Modello: Jet 132 M - Articolo: 102660100

    DATI TECNICICampo di funzionamento:da 0,4 a 10,5 m3/h con prevalenza fino a 62 metri.Liquido  pompato:pulito, libero da sostanze solide o abrasive, non viscoso, non aggressivo, non cristallizzato e chimicamente neutro, prossimo alle caratteristiche dell’acqua.Campo di temperatura del liquido: da 0 °C a +35°C uso domestico (EN 60335-2-41) da 0 °C a +40°C per altri impieghi. Massima temperatura ambiente: +40°CMassima pressione di esercizio: 8 bar (800 kPa)Installazione: fissa in posizione orizzontale.Esecuzioni speciali a richiesta: altre frequenze e/o tensioni.Grado di protezione del motore: IP 44Grado di protezione alla morsettiera: IP 55Classe di isolamento: FTensione di serie: monofase 220/240 V / 50 Hz trifase 230/400 V / 50 Hz APPLICAZIONI Pompa centrifuga autoadescante con ottime capacità di aspirazione anche in presenza di bolle d’aria. Idonea all’utilizzo con acqua con piccole impurità sabbiose. Particolarmente impiegata per alimentazione idrica in impianti domestici. Adatta per la piccola agricoltura e giardinaggio, servizi industriali di entità limitata e dove è necessaria la funzione di autoadescamento. CARATTERISTICHE COSTRUTTIVE DELLA POMPA Corpo pompa e supporto motore in ghisa. Supporto motore in alluminio pressofuso. Girante, diffusore, tubo venturi e parasabbia in tecnopolimero. Anelli di rasamento in acciaio inossidabile. Tenuta meccanica in carbone/ceramica. CARATTERISTICHE COSTRUTTIVE DEL MOTORE Di tipo asincrono, chiuso, raffreddato a ventilazione esterna. Rotore montato su cuscinetti a sfera ingrassati a vita e sovradimensionati per garantire silenziosità e durata. Protezione termo-amperometrica incorporata e condensatore permanentemente inserito nella versione monofase. Per la protezione del motore trifase è raccomandabile l’uso di un telesalvamotore in accordo alle norme vigenti. Costruzione secondo normative CEI 2-3 / CEI 61-69 (EN 60335-2-41).

    153,30 € 142,57 €

  • Lowara - Elettropompa silenziosa centrifuga orizzontale multistadio 0.65 HP - 0.50 KW - 220V corpo in acciaio inox - Modello: 3HM Lowara - Elettropompa silenziosa centrifuga orizzontale multistadio 0.65 HP - 0.50 KW - 220V corpo in acciaio inox - Modello: 3HM

    LOWARA Lowara - Elettropompa silenziosa centrifuga orizzontale multistadio 0.65 HP - 0.50 KW - 220V corpo in acciaio inox - Modello: 3HM

    Pompa HM silenziosa centrifuga orizzontale multistadio in acciaioLa NUOVA serie e-HM: moderna, robusta e gamma più ampia.Il design dell’idraulica combinato con i motori IE3 garantiscono minimi costi di esercizio.Il nuovo corpo pompa, i cuscinetti di alta qualità e l’uso dell’acciaio inox garantiscono una lunga durata.L’idraulica e il motore ad alto rendimento, combinati con il nuovo corpo pompa, riducono il rumore al minimo.e-HM per applicazioni residenziali: approvvigionamento idrico affidabile per tutti i tipi di costruzioni; dalla casa unifamiliare al condominio di 10 piani. La nuova e-HM è disponibile in diverse versioni:Pompa compattaImpianto On/ off con pressostato e serbatoio a pressione.Impianto a pressione controllata tramite il comando elettronico Genyo.Impianto a pressione costante con pompa a velocità variabile.e-HM per applicazioni industriali: offerta completa per numerose applicazioni quali l’industria del lavaggio e della pulizia, il trattamento delle acque e processi nell’industria agroalimentare.AISI 304 or 316Lucidatura elettrolitica e passivazione.Versioni compatte e ad alta efficienza.Opzioni nella scelta delle tenute meccaniche e degli OR.Parametri tecnici Specifiche Portata: fino a 29 m³/h Prevalenza: fino a 160 m Alimentazione: mono e tri-fase 50 e 60 Hz Potenza: da 0,30 kW fino a 5,50 kW Pressione massima: 16 bar Temperatura del liquido da -10 °C a 120 °C

    232,39 € 220,00 €

  • Dab - Elettropompa Periferica 0,5 HP KPS 30/16 M - Articolo: 101110024H Dab - Elettropompa Periferica 0,5 HP KPS 30/16 M - Articolo: 101110024H

    DAB Dab - Elettropompa Periferica 0,5 HP KPS 30/16 M - Articolo: 101110024H

    Pompa centrifuga di tipo periferico, con ingombri limitati. Capace di generare alte prevalenze e idonea per impieghi domestici di alimentazione idrica, piccolo giardinaggio, svuotamento e riempimento di cisterne e per piccoli impieghi industriali quali l’alimentazione di caldaie sotto pressione (anticondensa). DATI TECNICI Campo di funzionamento: da 5 a 50 l/min con prevalenza fino a 84 metri. Liquido pompato: pulito, libero da sostanze solide o abrasive, non viscoso, non aggressivo, non cristallizzato e chimicamente neutro. Campo di temperatura del liquido: da 0°C a +35°C nell’uso domestico. da -10°C a +50°C per altri impieghi. Massima temperatura ambiente: +40°C Massima pressione di esercizio: 10 bar (6 bar per KPS-KPF 30/16). Installazione: fissa in posizione orizzontale. Grado di protezione motore: IP 44 Grado di protezione morsettiera: IP 55 per KP38/18 e per KPF 45/20; IP44 per KPF/S 30/16 Classe di isolamento: F Tensione di serie: monofase: 1x 230 V / 50 Hz trifase: 3x230-400 V / 50 Hz Esecuzioni speciali a richiesta: altre tensioni e/o frequenze.

    91,56 € 85,15 €

  • Valvola Europa Da 1/2"

    HOMELIDE Valvola Europa Da 1/2"

    Adatte all’impiego in impianti idraulici, di riscaldamento, di condizionamento e pneumatici.Installabili in qualsiasi posizione: verticale, orizzontale, obliqua. Corpo in ottone. Tenuta in acciaio inox. Guarnizione in NBR. Molla in acciaio inox. Temperatura minima e massima d’esercizio: -20°C, 100°C. Attacchi filettati ISO228 (equivalente a DIN EN ISO 228 e BS EN ISO 228). Disponibile con filetto americano NPT nelle misure da ½” a 4”.

    4,50 €

  • Cordivari - Membrana Solo Per Idrosfera Cordivari Da 100 Litri

    28,61 €

  • Lowara - Manometro ricambio Per Genyo 8A/F12-F15-F2

    LOWARA Lowara - Manometro ricambio Per Genyo 8A/F12-F15-F2

    Manometro per Genyo regolatore di pressione presscontrol pressostato automaticoGenyo, nuova gamma di compatti dispositivi elettronici pressoflussostati per il controllo e la protezione di elettropompe.Genyo è comandato da un circuito elettronico ed è composto da un sistema a membrana e molla antagonista integrato da sensori di portata e pressione.Genyo permette di controllare in modo automatico l’avviamento e lo spegnimento dell’elettropompa a seconda dell’effettiva richiesta d’acqua, evitando variazioni di pressione all’utilizzo a punto di lavoro costante.Genyo integra, in un unico dispositivo, molti accessori d’impianto. Disponibile versione 8A a tre pressioni di partenza fisse (GENYO 8A), e versione 16A con riavvio automatico (GENYO 16A). 

    25,60 €

  • Bonomini - Valvola antiritorno ø32 bianca in abs

    BONOMINI Bonomini - Valvola antiritorno ø32 bianca in abs

    Bonomini - Valvola antiritorno ø32 bianca in abs

    9,70 €

  • Membrana Per Idrosfera Da 50-80 Litri

    CORDIVARI Membrana Per Idrosfera Da 50-80 Litri

    Membrana per idrosfera da 50-80 litri

    30,38 €

  • Membrana Per Idrosfera Da 24 Litri

    IDRONORD Membrana Per Idrosfera Da 24 Litri

    Membrana per idrosfera da 24 litri

    3,94 €

  • Membrana Per Idrosfera Da 35-50 Litri

    CORDIVARI Membrana Per Idrosfera Da 35-50 Litri

    Membrana per idrosfera da 35-50 litri

    16,15 €

  • Lowara - Elettropompa Sommergibile Per Acque Sporche 0,75 Hp 220 V Con Girante Vortex - Modello: Domo 7VX Lowara - Elettropompa Sommergibile Per Acque Sporche 0,75 Hp 220 V Con Girante Vortex - Modello: Domo 7VX

    LOWARA Lowara - Elettropompa Sommergibile Per Acque Sporche 0,75 Hp 220 V Con Girante Vortex - Modello: Domo 7VX

    ELETTROPOMPA DOMO 7VX/B SOMMERGIBILE PER DRENAGGIO ACQUE CARICHE E FOGNATURA CON GIRANTE VORTEX IN ACCIAIO INOXL’acqua è l’elemento più diffuso nel mondo e, a livello planetario, Lowara condivide la posizione di leader del gruppo Xylem, di cui è parte, per la progettazione e produzione di pompe e sistemi di pompaggio.Da quasi 40 anni Lowara è sinonimo di innovazione e qualità, di affidabilità e servizio inappuntabile per tutti i problemi di pompaggio delle acque.Dalla sede di Montecchio Maggiore in provincia di Vicenza, attraverso una struttura capillare di filiali e di distributori,i prodotti Lowara raggiungono i clienti in tutto il mondo e vengono destinati alle applicazioni più specifi che. Perché la qualità e la tecnologia si sommano alla competenza e alla disponibilità che contraddistinguono Lowara da sempre.Le elettropompe sommergibili per drenaggio di acque sporche della serie DOMO sono disponibili sia con girante bicanale sia con girante vortex (DOMO VX).Possibilità di pompaggio di solidi in sospensione fino a 50 mm (35 mm per DOMO 7 e DOMO 7VX). Quattro versioni base con potenze nominali da 0,55 a 1,5 kW. Sistema di tenuta DRIVELUB SEAL SYSTEM.Il motore elettrico è a tenuta stagna grazie al sistema multiplo di tenute con camera d’olio interposta. Il V-ring, la tenuta meccanica in carburo di silicio (estremamente resistente all’abrasione e all’usura), ed infine una tenuta a labbro costantemente lubrificata mediante il sistema DRIVELUB, costituiscono una barriera efficientissima contro le infiltrazioni.Applicazioni Movimentazione di acque luride (nelle versioni VX anche con corpi filamentosi in sospensione). Svuotamento pozzi di raccolta, liquami da scarichi civili e acque usate in generale. Prosciugamento di ambienti allagati. I modelli DOMO 7 e DOMO 7VX prevedono:Bocca di mandata filettata Rp 1“ 1/2 (gas femmina).Passaggio dei corpi solidi in sospensione 35 mm .Girante in tecnopolimero rinforzato con fibra di vetro (disponibili anche DOMO S7 e DOMO S7VX con girante in acciaio inossidabile).Parametri tecnici Portata: fino a 40 m³/h Prevalenza: fino a 14,5 m Alimentazione: mono e tri-fase 50 e 60 Hz Temperatura massima del liquido: 35°C con pompa totalmente immersa. Motore a secco. Cavo di alimentazione: H07RN-F monofase: provvisto di spina. trifase: senza spina. Isolamento in classe 155°C (F). Grado di protezione: IPX8. Profondità massima di immersione: 5 m. Versioni: Monofase: 220-240 V, 50 Hz 2 poli. Trifase: 220-240 V, 50 Hz 2 poli. 380-415 V, 50 Hz 2 poli. Potenza motore: Monofase: da 0,55 a 1,1 kW. Trifase: da 0,55 a 1,5 kW.

    325,00 € 290,00 €

  • Lowara - Elettropompa centrifuga autodescante 1.10 HP - 0.75 KW - 220V Lowara - Elettropompa centrifuga autodescante 1.10 HP - 0.75 KW - 220V

    LOWARA Lowara - Elettropompa centrifuga autodescante 1.10 HP - 0.75 KW - 220V

    BG Pompe centrifughe monoblocco autoadescanti con sistema eiettore integrato, progettate per rimanere innescate anche in presenza di gas sciolti nell’acqua. L’utilizzo massiccio dell’acciaio inox stampato garantisce rendimento elevato, resistenza e basso peso della pompa. Ideale per l’utilizzo con l’acqua potabile. Versione da giardino di BG: la pompa è dotata di maniglia, cavo con spina e morsettiera con interruttore incorporato.

    275,00 € 235,00 €

  • Coppia Di Bocchettoni Per Circolatore Da 1" 1/2 x 1" In Ottone Giallo

    RINALDI E PETTINAROLI Coppia Di Bocchettoni Per Circolatore Da 1" 1/2 x 1" In Ottone Giallo

    Coppia di codoli femmina con calotta per circolatore, in ottone giallo, da 1" ½ × 1".

    10,26 €

  • Ebara - Elettropompa Autoadescante 1 Hp - Modello: Aga 1.00 M - Articolo: 1100100000 Ebara - Elettropompa Autoadescante 1 Hp - Modello: Aga 1.00 M - Articolo: 1100100000

    EBARA Ebara - Elettropompa Autoadescante 1 Hp - Modello: Aga 1.00 M - Articolo: 1100100000

    AGA POMPA AUTO ADESCANTE IN GHISA JETLe elettropompe AGA - AGC sono elettropompe sono elettropompe in ghisa autoadescanti dotate di gruppo Venturi (eiettore e diffusore) in PPE + PS rinforzato con fibre di vetro.Pratiche, di facile utilizzo e facilmente trasportabili grazie al loro peso contenuto. Il corpo pompa è in ghisa per tutti i modelli. Tra le loro peculiarità c’è quella di avere l’albero in acciaio AISI 303 (per la parte a contatto con il liquido).Le giranti disponibili sono in PPE + PS rinforzato con fibre di vetro per AGA 0.60 – 0.75 – 1.00 ed in ottone per il resto della gamma.La tenuta meccanica è in Ceramica/Carbone/NBR. I motori, asincroni a 2 poli autoventilati, sono ad alta efficienza energetica IE3 a partire da 0,75 kWParametri Tecnici Prevalenza da 16,5 a 68 m Portata da 0,3 a 9,6 m3/h Pressione massima di esercizio: 6 bar per AGA 0.60 - 0.75 - 1.00 10 bar per il resto della gamma Temperatura massima del liquido 45°C Profondità massima di aspirazione 8 m

    147,25 €

  • Lowara - Elettropompa Sommersa 1.5 HP 220V in acciaio inox per pozzo uscita 1"1/4 - 4 m³/h - Modello: 4GS Lowara - Elettropompa Sommersa 1.5 HP 220V in acciaio inox per pozzo uscita 1"1/4 - 4 m³/h - Modello: 4GS

    LOWARA Lowara - Elettropompa Sommersa 1.5 HP 220V in acciaio inox per pozzo uscita 1"1/4 - 4 m³/h - Modello: 4GS

    4 GS POMPA SOMMERSA PLURIGIRANTE IN ACCIAIO INOXLa serie completa di elettropompe sommerse e-GS è stata riprogettata con un'idraulica ad alta efficienza, e con valori MEI superiori ai requisiti ErP 2015.La riprogettazione di questa gamma ha portato ad alcune modifiche alle curve caratteristiche delle pompe. In occasione della sostituzione di pompe già installate, si consiglia di verificare il punto di lavoro prima di effettuare la selezione del nuovo modello in quanto in alcune applicazioni una taglia inferiore potrebbe rispondere ai requisiti del sistema.La struttura robusta in acciaio, combinata con giranti flottanti rende la nuova e-GS una delle migliori pompe sul mercato per la resistenza all'usura e abrasione da sabbia.Parametri tecnici Conforme alla Direttiva ErP Idraulica ottimizzata e nuovo design Affidabilità Inferiori costi di esercizio Struttura in acciaio inossidabile Componenti conformi alle normative FDA Resistenza all'usura e all'abrasione (fino a 150 gr/m3 di sabbia) Elevata resistenza alla corrosione L'albero pompa esagonale garantisce un efficace trascinamento delle giranti Velocità variabile fornita con drives tipo resiboost o hydrovar

    439,40 € 408,64 €

  • Galleggiante Elettrico 3 Metri

    G.T.COMIS Galleggiante Elettrico 3 Metri

    Galleggiante elettrico 3 metri

    10,19 €

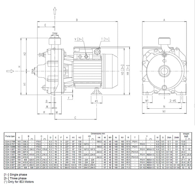
  • Ebara - Elettropompa Centrifuga Bigirante 0,75 Hp - Modello: Cda/A 0.75 M - Articolo: 1210090000A Ebara - Elettropompa Centrifuga Bigirante 0,75 Hp - Modello: Cda/A 0.75 M - Articolo: 1210090000A

    EBARA Ebara - Elettropompa Centrifuga Bigirante 0,75 Hp - Modello: Cda/A 0.75 M - Articolo: 1210090000A

    CDA POMPA CENTRIFUGA BIGIRANTE PERIFERICA IN GHISALe elettropompe centrifughe CDA sono elettropompe in ghisa dotate di una doppia girante perpermetterne l’ampliamento delle prestazioni pur mantenendo dimensioni contenute. Il corpo pompa è in ghisa, montano una tenuta meccanica in Ceramica/Carbone/NBR. La girante è in PPE + PS rinforzato con fibre di vetro per i modelli CDA 0.75 - 1.00, mentre il resto della gamma è dotato di girante in ottone. Tra le specifiche tecniche notiamo l’albero in acciaio AISI 303 per i modelli CDA 0.75 - 1.00 - 1.50 - 2.00 - 3.00, in acciaio AISI 304 per i modelli CDA 4.00 - 5.50. I modelli CDA 0.75 - 1.00 sono dotati di supporto in alluminio, mentre il resto della gamma è dotato di supporti in ghisa.I motori sono asincroni a 2 poli autoventilati, ad alta efficienza energetica IE3 a partire da potenze di 0.75 kW.Parametri tecniciPrevalenza da 17 a 76,5 mPortata da 1,2 a 12,6 m3/hPressione massima di esercizio:  6 bar per CDA 0.75 - 1.00 /  10 bar per il resto della gammaTemperatura massima del liquido: 40°C per CDA 0.75 - 1.00 / 90°C per tutto il resto della gamma

    197,14 €


Hai visto 24 prodotti su 225

© 2025 Homelide, Powered by Mirai

    • American Express
    • Apple Pay
    • Google Pay
    • Maestro
    • Mastercard
    • PayPal
    • Shop Pay
    • Union Pay
    • Visa

    Login

    Hai dimenticato la password?

    Non hai ancora un account?
    Creare un profilo