CMA POMPA CENTRIFUGA MONOBIGIRANTE IN GHISA EBARA
La serie CMA è l'innovativa serie di pompe monogiranti in ghisa di Ebara.
APPLICAZIONI
- Pressurizzazione di impianti domestici
- Piccola irrigazione
- Movimentazione di liquidi non agressivi ad uso civile ed industriale
- Impianti di lavaggio
- Lavaggio veicoli
PECULIARITÁ TECNICHE
- Disponibili con girante in ottone (CMA 0.50 GO, CMA 0.75 GO, CMA 1.00 GO)
- La versione CMR è dotata di girante aperta
- Possono essere inserite in macchinari ad uso industriale
DATI TECNICI POMPA
- Pressione massima di esercizio:
- 6 bar per CMA 0.50 - 0.75 - 1.00, CMB 0.75 - 1.00 - 1.50 - 2.00 - 3.00, CMC, CMD, CMR
- 8 bar per CMA 1.50 - 2.00 - 3.00, CMB 4.00 - 5.50
- Temperatura massima del liquido:
- 40°C per CMA 0.50 - 0.75 - 1.00
- 90°C per il resto della gamma
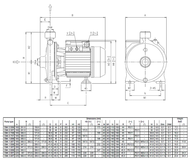
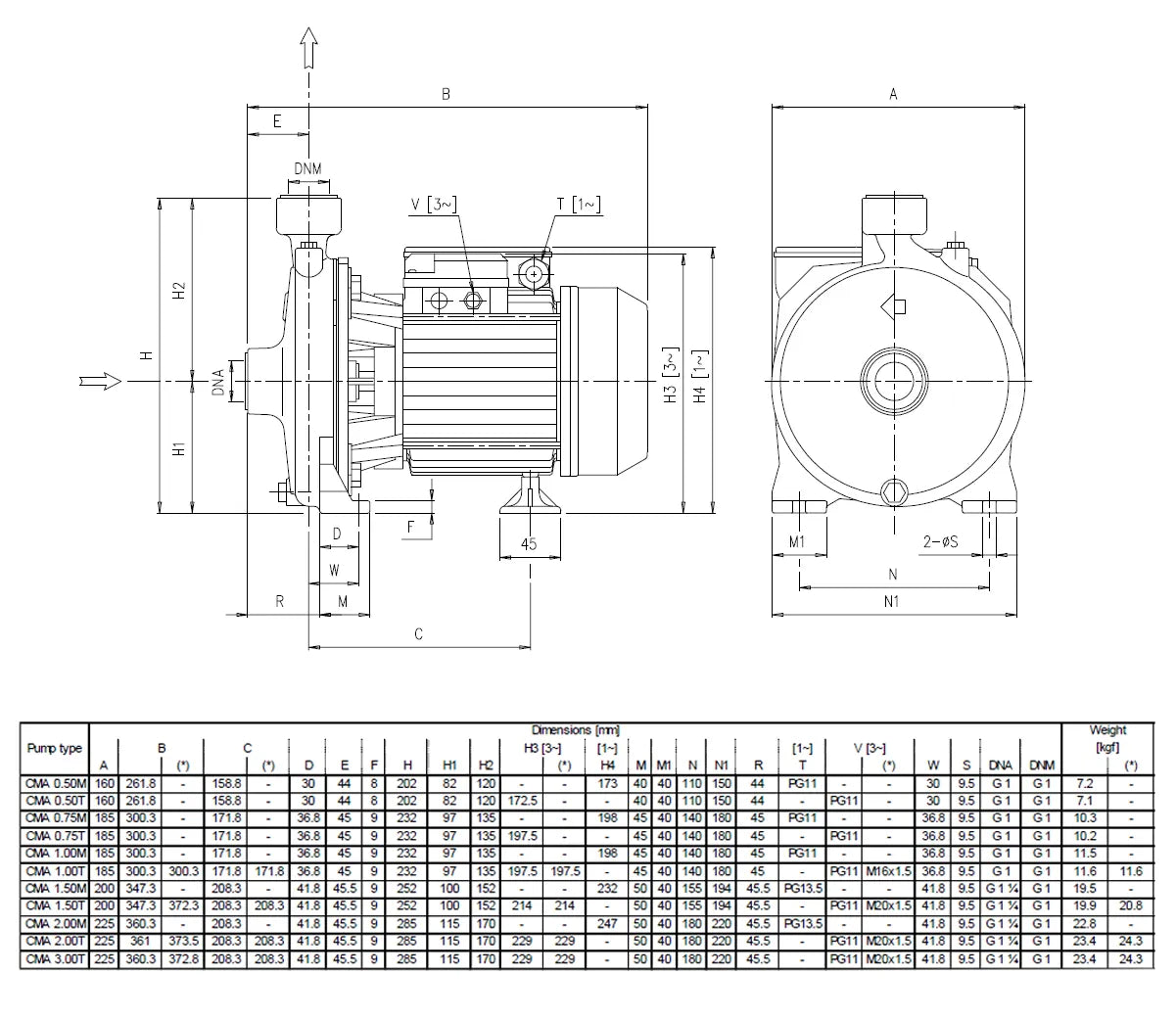
- Attacco aspirazione G 1" per CMA 0.50 - 0.75 - 1.00, G 1" ¼ per CMA 1.50 - 2.00 - 3.00, G 1" ½ per CMR, G 2" per CMB - CMC, G 2" ½ per CMD
- Attacco mandata G 1" per CMA, G 1" ¼ per CMB, G 1" ½ per CMR, G2" per CMC, G 2" ½ per CMD
- MEI > 0,4
Per maggiori informazioni consultare i nostri Data Book sul sito www.ebaraeurope.com
DATI TECNICI MOTORE
- Motori ad alta efficienza energetica IE3 a partire da 0,75kW
- Motore asincrono 2 poli autoventilato
- Classe di isolamento F
- Grado di protezione IP44
- Tensione monofase 230V ±10% 50Hz, tensione trifase 230/400V ±10% 50Hz
- Condensatore permanentemente inserito e protezione termoamperometrica a riarmo automatico incorporata per il motore monofase
- Protezione a cura dell’utente per la versione trifase
MATERIALI
- Corpo pompa in ghisa
- Tenuta meccanica in Carbone/Ceramica/NBR
- Girante:
- in PPE+PS rinforzato con fibre di vetro per CMA 0.50 - 0.75 - 1.00
- in ottone per CMA 1.50 - 2.00 - 3.00, CMB 2.00 - 3.00 - 4.00 - 5.50, CMR 0.75 - 1.00
- in ghisa per CMB 0.75 - 1.00 - 1.50, CMC, CMD
- Albero:
- in AISI 416 (integrale) per CMA 0.50
- in AISI 303 (parte in contatto con il liquido) per CMA 0.75 - 1.00 - 1.50 - 2.00 - 3.00, CMB 0.75 - 1.00 - 1.50 - 2.00 - 3.00, CMC 0.75 - 1.00, CMD 1.50 - 2.00 - 3.00, CMR 0.75 - 1.00
- in AISI 304 (parte in contatto con il liquido) per CMB 4.00 - 5.50, CMD 4.00
- Supporto:
- in alluminio per CMA 0.50 - 0.75 - 1.00, CMB 0.75 - 1.00, CMC 0.75 - 1.00, CMR 0.75 - 1.00
- in ghisa per il resto della gamma