Le spedizioni potrebbero subire ritardi a causa del periodo natalizio e pertanto non possiamo garantire il rispetto dei tempi di consegna previsti.

Ebara - Elettropompa Centrifuga Bigirante 1,5 Hp - Modello: Cda/B 1.50 M - Articolo: 1210150000B

  • EBARA

Descrizione

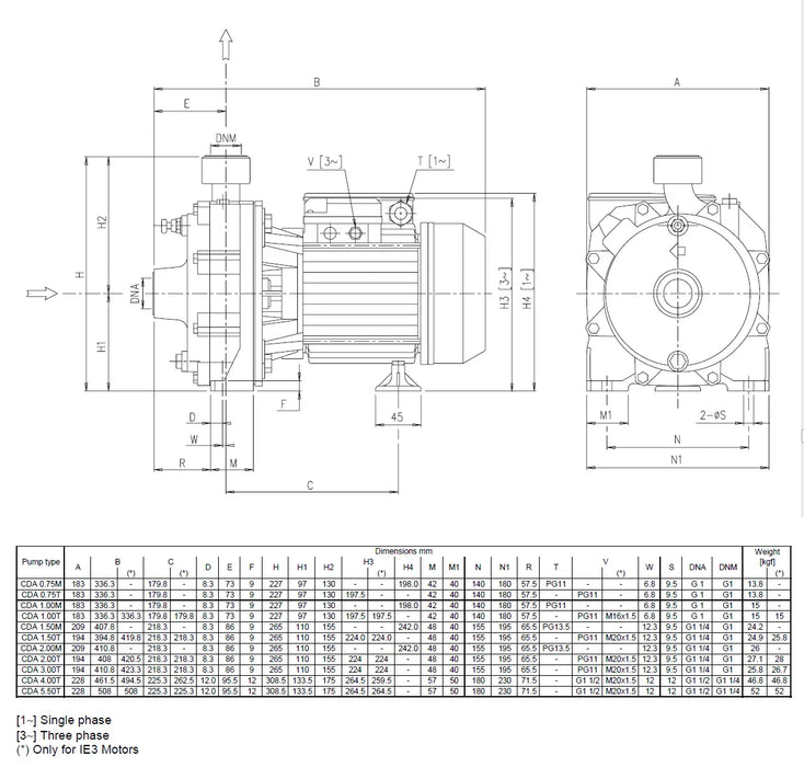
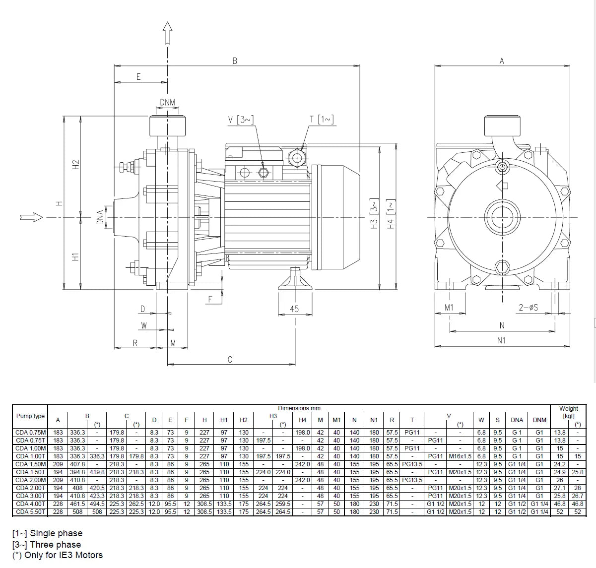
CDA POMPA CENTRIFUGA BIGIRANTE PERIFERICA IN GHISA

Le elettropompe centrifughe CDA sono elettropompe in ghisa dotate di una doppia girante per
permetterne l’ampliamento delle prestazioni pur mantenendo dimensioni contenute. 

Il corpo pompa è in ghisa, montano una tenuta meccanica in Ceramica/Carbone/NBR. La girante è in PPE + PS rinforzato con fibre di vetro per i modelli CDA 0.75 - 1.00, mentre il resto della gamma è dotato di girante in ottone. 

Tra le specifiche tecniche notiamo l’albero in acciaio AISI 303 per i modelli CDA 0.75 - 1.00 - 1.50 - 2.00 - 3.00, in acciaio AISI 304 per i modelli CDA 4.00 - 5.50. 

I modelli CDA 0.75 - 1.00 sono dotati di supporto in alluminio, mentre il resto della gamma è dotato di supporti in ghisa.

I motori sono asincroni a 2 poli autoventilati, ad alta efficienza energetica IE3 a partire da potenze di 0.75 kW.

Parametri tecnici

Prevalenza da 17 a 76,5 m
Portata da 1,2 a 12,6 m3/h
Pressione massima di esercizio:  6 bar per CDA 0.75 - 1.00 /  10 bar per il resto della gamma
Temperatura massima del liquido: 40°C per CDA 0.75 - 1.00 / 90°C per tutto il resto della gamma

Forma del prodotto

SKU: CDA150

Ebara - Elettropompa Centrifuga Bigirante 1,5 Hp - Modello: Cda/B 1.50 M - Articolo: 1210150000B

  • EBARA

CDA POMPA CENTRIFUGA BIGIRANTE PERIFERICA IN GHISALe elettropompe centrifughe CDA sono elettropompe in ghisa dotate di una doppia girante perpermetterne... Per saperne di più

328,38 €

    • Disponibile fino ad esaurimento scorte
    • Acquista senza pensieri: reso semplice entro 14 giorni

    Descrizione

    CDA POMPA CENTRIFUGA BIGIRANTE PERIFERICA IN GHISA

    Le elettropompe centrifughe CDA sono elettropompe in ghisa dotate di una doppia girante per
    permetterne l’ampliamento delle prestazioni pur mantenendo dimensioni contenute. 

    Il corpo pompa è in ghisa, montano una tenuta meccanica in Ceramica/Carbone/NBR. La girante è in PPE + PS rinforzato con fibre di vetro per i modelli CDA 0.75 - 1.00, mentre il resto della gamma è dotato di girante in ottone. 

    Tra le specifiche tecniche notiamo l’albero in acciaio AISI 303 per i modelli CDA 0.75 - 1.00 - 1.50 - 2.00 - 3.00, in acciaio AISI 304 per i modelli CDA 4.00 - 5.50. 

    I modelli CDA 0.75 - 1.00 sono dotati di supporto in alluminio, mentre il resto della gamma è dotato di supporti in ghisa.

    I motori sono asincroni a 2 poli autoventilati, ad alta efficienza energetica IE3 a partire da potenze di 0.75 kW.

    Parametri tecnici

    Prevalenza da 17 a 76,5 m
    Portata da 1,2 a 12,6 m3/h
    Pressione massima di esercizio:  6 bar per CDA 0.75 - 1.00 /  10 bar per il resto della gamma
    Temperatura massima del liquido: 40°C per CDA 0.75 - 1.00 / 90°C per tutto il resto della gamma

    Visti recentemente

    © 2025 Homelide, Powered by Mirai

      • American Express
      • Apple Pay
      • Google Pay
      • Maestro
      • Mastercard
      • PayPal
      • Shop Pay
      • Union Pay
      • Visa

      Login

      Hai dimenticato la password?

      Non hai ancora un account?
      Creare un profilo